应用文章
产品推荐
应用文章
使用MXO系列示波器进行增强环路稳定性测试验
- 发布时间:2025-10-31 09:06:34
您的任务
电源设计必须验证环路稳定性,以保证操作正常且稳定。目前,频率环路响应是测量转换器环路稳定性的首选方法。频率环路响应采用小信号交流分析方法,在环路中注入一个微小的正弦信号,在宽频范围内以开环方式测量增益与相位。测得的增益和相位值随频率变化绘制在伯德图上,可直接读出增益裕度、相位裕度及穿越频率。
负载阶跃响应测试则向输出端施加一个大电流阶跃,随后测量并分析电压响应。该测试属于闭环大信号测量,与开环小信号分析有本质区别。此时需在时域内分析输出电压波形,以估算并判定转换器的稳定性。图1的示例采用降压转换器进行负载瞬态响应测试。

图1:降压转换器的负载瞬态设置
在进行负载阶跃测试时,将负载阶跃发生器直接接到转换器输出端,对于快速改变负载电流至关重要。PWM信号在控制环路中控制电力组件,测量负载阶跃期间的正占空比可以增强显示负载瞬态响应和未知效应。
这种测量需要使用仪器在整个记录期间以高采样率测量正占空比。逐周期测量结果必须显示为横轴是时间的波形。
海洋仪器的解决方案
MXO系列示波器非常适合这种挑战性任务,即使在较高的 PWM开关频率下也能测量长期间的正占空比。测量需要大带宽、高采样率和大存储容量。一次采集中的所有正占空比可用于通过跟踪轨迹显示整个采集过程中的变化。可以显示一段时间内单周期中每次测量的跟踪轨迹。图2显示了跟踪波形中包含的典型负载瞬态波形。
图2显示了三个连续负载阶跃的标准输出电压和电流波形。 图中还显示了控制器输出的正占空比,并将其用于创建轨迹。理论上而言,占空比会调节电子组件以维持恒定输出电压, 因此跟踪波形反映出输出电压波形。

图2:负载瞬态响应
应用
结合全桥拓扑和同步整流的直流-直流开关转换器可以演示跟踪功能。此独立转换器的开关频率为100 kHz,能够将48 V输入电压转为12 V输出电压。最大输出电流设为8 A,并通过电子负载生成输出负载阶跃。
设备设置
在转换器输出端应用负载阶跃之前,需要先执行其他操作以便将正占空比显示为跟踪波形:
设置通道,并选择探头
定义触发以捕获控制器输出端的负载阶跃事件
激活正占空比测量功能,并定义参考电压百分比 (例如20%、50%、80%)
必须定义至少100 Msample/s的采样率, 以准确测量具有陡峭边沿的PWM信号
充分设置记录长度以采集整个序列 (至少一个从低到高的 电流阶跃和一个从高到低的电流阶跃)
使用测量子菜单激活跟踪功能,并优化垂直刻度
测量瞬态负载
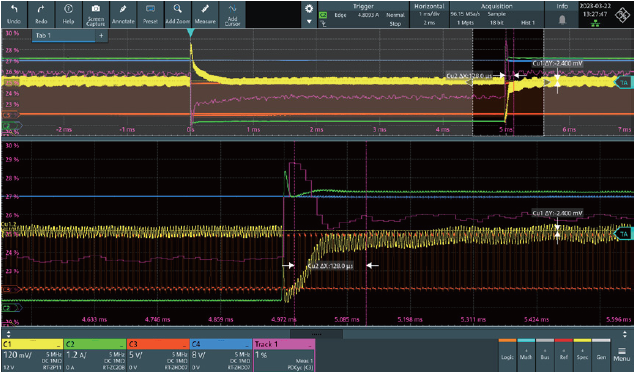
设置完成后,配置电子负载以在低电流 (最大负载的20%) 和高电流 (最大负载的80%) 之间应用负载阶跃。如图3所示,一旦触发检测到有效的触发条件,屏幕上将出现波形。顶部窗口显示采集两个不同方向的负载阶跃。测量通道1的输出电压和通道2的输出电流。屏幕上还显示PWM控制信号 (通道3) 和正占空比的跟踪波形。

图3:降压转换器的负载瞬态设置
缩放窗口显示输出电压仅下降约300 μs,随即恢复稳态操作。光标功能测量显示,稳态下20%和80%负载之间的偏差仅为2.4 mV。转换器进入稳态后,跟踪波形显示不同结果(26%而非24%)。偏差显示出影响,不符合图2所示的预期结果。相关定义和理论表明,占空比应与负载电流无关。
根据控制理论,2%偏差源于高输出电流引起的高传导损耗。高损耗主要来自变压器和输出整流器。需要提高正占空比来均衡附加损耗,跟踪功能支持这种复杂的测量任务。
总结
MXO系列示波器非常适合通过 PWM 控制来验证电源转换器的负载瞬态,并详细深入地分析系统行为。大存储容量和跟踪功能等优越特性有助于用户详尽探索和了解转换器操作。
版权声明:本资料属于北京海洋兴业科技股份有限公司所有,如需转载,请注明出处!
- 上一篇:使用MXO系列示波器解决控制环路设计中的异常事件
- 下一篇:没有了









QQ客服